Air Conditioner and Heater Plumbing for 2006 Chrysler 300
No.
Part # / Description / Price
Price
N/A
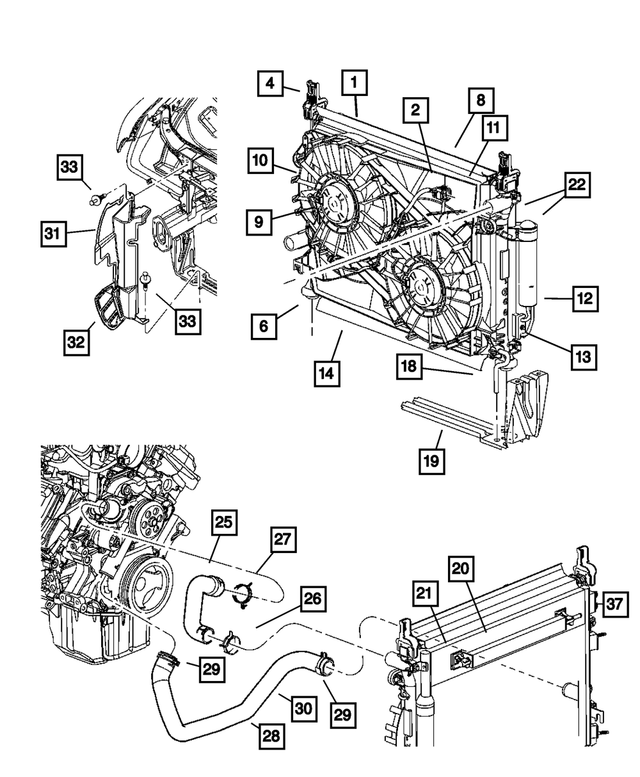
Condenser And Trans Cooler Cooler
Mopar
Mopar Description: [xdk,nmb,nmc]. With Drier - NOTE: 25 pc min Qty Mix and Match Pallet Program only, Use mopar.com to order, Magneti-Marelli Parts tab.
N/A
MSRP $9.45
$6.44
3
MSRP $36.90
$26.12
4
MSRP $13.35
$9.09
6
MSRP $351.00
$247.50
9
A/C Pressure Transducer Valve
Mopar
Mopar Description: Liquid Line. Includes: O-Ring. Up To 06/28/2010. Discharge Line. Includes Item # 4.
Not For Sale
Not For Sale
10
MSRP $12.50
$8.45
11
MSRP $8.95
$6.10
12
Not For Sale
15
A/C Line Gasket & O Ring Kit
Mopar
Mopar Description: Liquid. Includes 1 O-rings and 1 Gasket. Either Suction Line, Accumulator End.
18
A/C Line Gasket & O Ring Kit
Mopar
Mopar Description: Liquid Line to Drier & Condensor. Contains 5103428AA- Gasket and 5102355AA - O-Ring. Discharge. To Compressor and Condenser.
19
Condenser And Trans Cooler Cooler
Mopar
Mopar Description: With Drier - NOTE:25 pc min Qty Mix and Match Pallet Program only, Use mopar.com to order, Magneti-Marelli Parts tab.
19
Condenser And Trans Cooler Cooler
Mopar
Mopar Description: With Drier - NOTE: 25 pc min Qty Mix and Match Pallet Program only, Use mopar.com to order, Magneti-Marelli Parts tab. With drier. [xdk,nmb,nmc,nms].
No.
Part # / Description / Price
Price
2
MSRP $202.00
$143.98
4
Hex Flange Lock Nut, Mounting
Mopar
Mopar Notes: Engines: 3.0L V6 TURBO DIESEL ENGINE. 3.5L V6 HIGH OUTPUT 24V MPI ENGINE. 5.7L V8 HEMI MDS ENGINE. 6.1L V8 SRT HEMI ENGINE. All 5.7L 8Cyl Gas Engines. ALL V6 ENGINES. Transmissions: 4-SPD. AUTOMATIC 42RLE TRANSMISSION. 4-SPD. AUTOMATIC VLP 42RLE TRANS. 5-SPEED AUTO W5A580 TRANSMISSION.
Description:
***SOLD INDIVIDUALLY***
***SOLD INDIVIDUALLY***
Not For Sale
Not For Sale
No.
Part # / Description / Price
Price
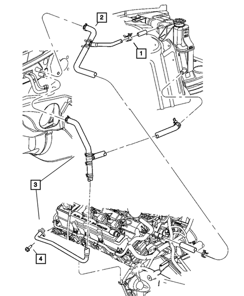
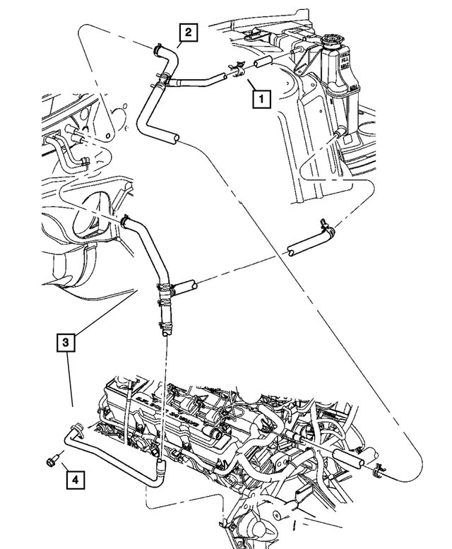
4
Heater Return Tube & Hose
Mopar
Mopar Notes: Transmissions: 5-SPEED AUTO W5A580 TRANSMISSION.
Description: Includes: Return Hoses, Clamps, Tubes.


